項目(Item) | 說明(Specifications) |
步距角(Step Angle) | 1.8° |
步距角精度(Step Angle Accuracy) | ±5% (整步無負載,full step, no load) |
徑向間隙( Radial Play) | 0.02mm@450 g |
軸向間隙( Axial Play) | 0.08mm@450 g |
最大徑向負載(Max. radial force) | 75N 距法蘭20mm (20mm from the flange) |
最大軸向負載(Max. axial force) | 15N |
介電強度(Dielectric Strength) | 600VAC / 1s |
絕緣電阻(Insulation Resistance) | 100MΩ ,500VDC |
環(huán)境溫度(Ambient Temperature) | -20℃~+50℃ |
絕緣等級(Insulation Class) | Class B |
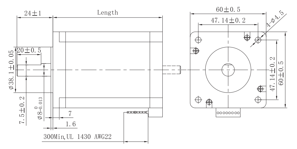
型號(Model No.) | Current /Phase 每相 電流 | Resistance /Phase 每相 電阻 | Inductance /Phase 每相 電感 | Holding Torque 保持 轉矩 | Detent Torque 定位 轉矩 | # of Leads 引出線數 | Rotor Inertia 轉動慣量 | Weight 重量 | Length 機身 長度 | |
單軸(Single shaft) | A | Ω | mH | N.m | N.m | # | g-cm2 | kg | mm | |
FL60STH45-2008AF | 單極性(unipolar) | 2 | 1.5 | 2 | 0.78 | 0.05 | 8 | 275 | 0.6 | 47±1 |
并聯(lián)(parallel) | 2.8 | 0.75 | 2 | 1.1 | ||||||
串聯(lián)(series) | 1.4 | 3.0 | 8 | 1.1 | ||||||
FL60STH56-2008AF | 單極性(unipolar) | 2 | 1.8 | 3.6 | 1.17 | 0.07 | 8 | 400 | 0.77 | 56±1 |
并聯(lián)(parallel) | 2.8 | 0.9 | 3.6 | 1.65 | ||||||
串聯(lián)(series) | 1.4 | 3.6 | 14.4 | 1.65 | ||||||
FL60STH65-2008AF | 單極性(unipolar) | 2 | 2.4 | 4.6 | 1.5 | 0.09 | 8 | 570 | 1.2 | 67±1 |
并聯(lián)(parallel) | 2.8 | 1.2 | 4.6 | 2.1 | ||||||
串聯(lián)(series) | 1.4 | 4.8 | 18.4 | 2.1 | ||||||
FL60STH86-2008AF | 單極性(unipolar) | 2 | 3 | 6.8 | 2.1 | 0.12 | 8 | 840 | 1.4 | 88±1 |
并聯(lián)(parallel) | 2.8 | 1.5 | 6.8 | 3.0 | ||||||
串聯(lián)(series) | 1.4 | 6 | 27.2 | 3.0 |
該款電機可以根據客戶需求定制。
The motor can be designed &manufactured with customized request.



Copyright 2023 版權所有 江蘇富興電機技術股份有限公司 蘇ICP備05002292號-1